
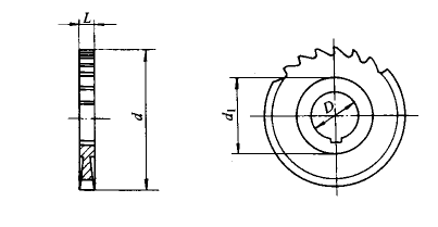
注:1. 尽量不采用括号内的尺寸
2. 锯片铣刀分为细齿、中齿、和粗齿三种型式,其直径范围分别为:细齿:20~315;中齿32~315;粗齿:503~15
3. L系列为:0.20,0.25,0.30,0.40,0.50,0.60,0.80,1.00,1.20,1.60,2.00,2.50,3.00,4.00,5.00
锯片铣刀(GB/T6120-1996)(mm) |
||
d jsl6 |
D H7 |
L jsl1范围 |
20 |
5 |
0.20~2.00 |
25 |
8 |
0.20~2.50 |
32 |
8 |
0.20~3.00 |
40 |
10(13) |
0.20~4.00 |
50 |
13 |
0.25~5.00 |
63 |
16 |
0.30~6.00 |
80 |
22 |
0.50~6.00 |
100 |
22(27) |
0.60~6.00 |
125 |
22(27) |
0.80~6.00 |
160 |
32 |
1.20~6.00 |
200 |
32 |
1.60~6.00 |
250 |
32 |
2.00~6.00 |
315 |
40 |
2.50~6.00 |